一、產品簡介
經濟型藍屏無紙記錄儀可與各類傳感器、變送器配合,可以實現對溫度、壓力、液位、流量等過程量的測量、變換、顯示、記錄、轉儲、通訊和控制。采用了分辨率為128×64的圖形點陣液晶,全中文顯示界面,操作方便,顯示內容豐富,包括測量值、工程量單位、報警信息、實時鐘、實時曲線、歷史曲線、記錄功能。適用于電壓、電流、熱電阻、熱電偶、mV、遠傳壓力表等類型的信號。4點報警輸出,可選擇10種報警方式,報警靈敏度獨立設定。具備延時報警功能,可記憶*近6次報警的通道、時間、報警方式。全透明、高速、有效的網絡化通訊接口,實現計算機與儀表間的數據傳送和控制。控制權轉移功能使計算機可以直接控制儀表的報警輸出、變送輸出。4M內存用于測量值記錄,可記錄26萬次數據。數據可通過歷史曲線追憶,可通過通訊讀取。具備USB接口,可隨時將記錄的歷史數據轉存到U盤上。
二、產品特點
●支持外接微型打印機,手動打印數據、曲線,滿足用戶現場打印的需求;
●支持標準串行通訊接口:RS232C和RS485,支持Modbus RTU協議;
●支持現場總線CAN傳輸,可實現總線通訊及總線控制功能;
●配備USB接口,兼容 1.1 、2.0 優盤,兼容非品牌U盤;兼容2G、4G、6G、8G、16G U盤;歷史數據轉存快捷方便;
●標準串行通訊接口:RS232C和RS485,支持Modbus RTU協議;
●采用有效綠色開關電源,交直流兩用,85~264VAC或120~370VDC電壓輸入,輸入頻率范圍47~63Hz;
●儀表集成硬件實時時鐘,掉電情況下時鐘也能**運行,更方便企業計量管理;
●多種附加功能可選:歷史曲線、累積報表、變送輸出等,注:開通附加功能需定制;
●采用高性能的ARM Cortex-M3 32位的RISC內核,可同時實現4路信號采集、記錄、顯示和2路報警;
●采用256M 大容量的FLASH閃存芯片存貯歷史數據,掉電******丟失數據;
●物理全隔離輸入,可同時輸入多種信號,無需更換模塊,通過軟件組態即可;
●顯示工程量數據的數值范圍更寬,可顯示4 位數值:-999~9999;
●剪貼板的復制和粘貼功能方便用戶的參數設置;
●2路繼電器報警輸出,同時指示各路報警的下下限、下限、上限、上上限報警。
三、技術參數
1、屏幕:128*64點陣藍屏液晶顯示器(LCD)
2、精度:實時顯示:±0.2% F.S.;追憶精度:±0.2% F.S.
3、處理器:采用高性能的ARM Cortex-M3 32位的RISC內核,可同時實現多路信號采集、記錄、顯示和多路報警
4、存儲模塊:采用大容量并行NAND FLASH閃存芯片存貯歷史數據,采用串行FRAM存儲芯片存貯系統配置參數等關鍵信息
5、輸入規格:全隔離輸入,**支持4路模擬量輸入+1路頻率輸入
6、輸入功能:
●電壓輸入:0-5V、1-5V、0-20mV、0-100mV
●電流輸入:0-10mA、4-20mA,(0-20mA輸入需在訂貨時注明)
●電阻輸入:Res
●頻率輸入:頻率信號(PI)(頻率范圍:0.5-5000HZ,**頻率范圍可定制)
●熱電阻:PT100、Cu50、G53、Cu100、BA1、BA2(要求三線電阻平衡,引線電阻<10Ω)
●熱電偶:S、B、K、T、R、E、N、J
●輻射高溫計:F1、F2
●鎢錸:WRe3-25、WRe5-26
7、輸出功能:
●配電輸出:變送器集中配電+24VDC,標準配電<30mA(**負載能力可定制),支持多種規格集中配電(如12VDC、5VDC配電輸出)
●變送輸出:*多支持2路通道的4-20mA標準電流變送輸出,負載能力750Ω(**),方便了顯示儀表或DCS/PLC的采集,實現了信號的長距離傳輸
●繼電器報警輸出:*多支持4路繼電器報警輸出,觸點容量3A@220VAC/1A@30VDC,可組態上上限、上限、下限、下下限報警
8、通訊打印:
●通訊接口:RS232C或RS485,支持Modbus RTU協議,波特率----(1200、2400、9600、19200、38400、57600)
●打印接口:RS232C直接連接微型打印機,波特率1200
9、記錄功能:
●記錄容量:64/128/192/248MB(FLASH容量可選擇);
●記錄間隔:1秒至240秒,共分11檔:1/2/4/8/12/24/36/60/120/180/240秒可選;
●記錄時間:記錄時間的長短與FLASH存儲器容量、輸入點數、記錄間隔有關,計算公式如下(代入數值的單位要與公式中一致):
10、數據轉存:數據備份和轉存:支持USB 1.1 、2.0 優盤,支持1G到16G的U盤進行數據轉存,兼容性強,可兼容市面上絕大多數的U盤(推薦使用工業版優盤)
11、供電電源:220VAC,50HZ交流電源供電,支持24VDC(22VDC-28VDC)直流電源供電,支持12VDC(11.2VDC-16VDC)直流電源供電
12、保護功能:
●斷電保護:內置存儲器保護參數和歷史數據,斷電后保存
●時鐘保護:集成硬件時鐘,掉電后也能**運行
13、誤差精度:
●熱電偶冷端補償誤差:±2℃
●時鐘誤差:±2 秒/天
14、工作環境:
●環境溫度:0~50℃(避免日光直曬)
●環境濕度:0~85%R.H(無凝結)
15、儀表凈重:凈重:≤1.0Kg
四、產品選型
一、經濟型藍屏無紙記錄儀安裝接線
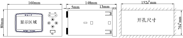
1、儀表尺寸
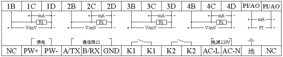
2、端子接線
3、交/直流電源輸入接線
4、輸入/輸出信號接線
5、變送器接線
6、繼電器觸點輸出接線
二、經濟型藍屏無紙記錄儀操作使用
1、按鍵說明
2、使用模式
- 瀏覽:


