一、產品簡介
防爆壓力變送器用于測量液體、氣體或蒸汽的液位、密度和壓力,然后轉變成4~20mA DC信號輸出。防爆壓力變送器可與HART手操器相互通訊,通過它進行設定,監控或與上位機組成現場監控系統。防爆壓力變送器外殼為特殊防爆殼體,可以帶內置電池供電和外置24VDC兩線制供電,采用壓阻式傳感器芯體,殼體為不銹鋼外殼,外殼防護等級為IP65。應用于液壓、油田,礦井,化工,電力,鍋爐,天然氣等自動化領域的流體壓力測量與控制。可帶LCD顯示,耐腐蝕,寬范圍溫度補償、******的線性、有反極性保護、瞬間過電流、過電壓和抗干擾保護措施,擁有******的防護等級。
二、產品特點
●測量范圍廣,鑄鋁防爆殼體,壓力接口形式多樣;
●輸出信號形式多樣,現場可調可顯示;
●多重防護,抗電磁干擾能力強;
●表壓、絕壓和密封參考壓多種壓力類型;
●可配LCD數顯表、LED數顯表;
●高**度、高穩定性、選用進口原裝傳感器,線性好,溫度穩定性高;
●體積小、重量輕、安裝、調試、使用方便;
●有反極性保護、瞬間過電流、過電壓和抗干擾保護措施;
●壓力傳感器直接感測被測液位壓力,不受介質起泡、沉積的影響;
●工業領域中非常佳的總體性能±0.15%,令回路性能非常優化;
●五年穩定性±0.15%,可大大降低校驗和維護的費用;
●更快的動態響應,可降低過程的可變性;
●引進技術可實現測量方案;
●零點可遷移,量程可調節。
三、技術參數
●測量范圍:-100kPa…0kPa~10kPa…100MPa
●壓力類型:表壓、絕壓、密封表壓
●過 壓:1.5倍滿量程壓力/ 110MPa(取*小值)
●精 度:±0.5%FS
●**穩定性:±0.3%FS/年
●零點溫度誤差:≤±0.04%FS/℃ (≤100kPa) ;≤±0.03%FS/℃ (>100kPa)
●滿度溫度誤差:≤±0.04%FS/℃ (≤100kPa) ;≤±0.03%FS/℃ (>100kPa)
●輸出信號:RS485接口(MODBUS-RTU協議)
●額定工作溫度: -10℃~60℃
●測溫誤差:±2℃(溫度功能為選配)
●上限工作溫度: -30℃~85℃
●貯存溫度: -40℃~85℃
●供電電源: 9V~28V DC
●顯示方式: 4位0.36``數碼管
●顯示范圍: -1999 ~ 9999
●絕緣電阻: 100V,100M
●振 動: 5g,10Hz~200Hz
●沖 擊: 20g,11ms
●防護等級: IP65
●重 量: 約900g
四、產品選型
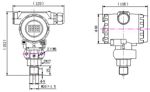
一、外形尺寸
二、電氣連接
三、產品選型
| 代碼 | 量程范圍 | ||||
| A | 0-5KPa-20KPa | ||||
| B | 0-20KPa-70KPa | ||||
| C | 0-70KPa-350KPa | ||||
| D | 0-200KPa-700KPa | ||||
| E | 0-0.7MPa-3.5MPa | ||||
| F | 0-2.0MPa-7MPa | ||||
| G | 0-7MPa-35MPa | ||||
| H | 0-20MPa-100MPa | ||||
| 代碼 | 精度等級 | ||||
| Ⅰ | 0.1% | ||||
| Ⅱ | 0.25% | ||||
| Ⅲ | 0.5% | ||||
| 代碼 | 輸出代號 | ||||
| E | 4-20mADC二線 | ||||
| K | 0-10mA | ||||
| M | 用戶約定 | ||||
| 代碼 | 壓力連接 | ||||
| R | 標準型(M20×1.5) | ||||
| P | 齊平膜 | ||||
| O | 按用戶尺寸加工 | ||||
| 代碼 | 選項 | ||||
| i | 本安型iaⅡCT6 | ||||
| d | 隔爆型dⅡBT4 | ||||
| T | 船用型 | ||||
| M1 | 線性指示表 | ||||
| M2 | LED數字顯示表 | ||||
| M3 | LED顯示表 | ||||
| Z | 阻尼調整 | ||||
| Q | 遷移 | ||||
| A | 絕壓測量 | ||||
| F | 負壓測量 | ||||
| C | 選用陶瓷傳感器(帶*量程無) | ||||
| S | 散熱器及過程連接件 | ||||
| Y | 用戶約定 | ||||
- 瀏覽:


